
在至少兩個金屬零件一起工作的動力傳動系統中,需要適當的潤滑。其主要目的是保護零件免受腐蝕,在工作方向動態變化期間金屬-金屬碰撞,并減少由于摩擦而造成的磨損,從而延長其使用壽命。這種系統的一個例子是小齒輪-齒條組合。適當的潤滑使其可以長期無故障運行。但是,必須正確執行。潤滑劑不能太少或太多。在現代數控機床中,所謂的 連接到控制器的自動潤滑系統。控制器在適當的時間間隔內向潤滑系統發出信號,當他要給正確劑量的潤滑劑時。對于車輪和齒條,潤滑劑的供應量取決于齒模和齒輪相對于齒條運動的線速度。這種關系顯示在下表中。

從圖表中可以很容易地看出,對于M = 2齒模塊的鋼帶,其行進速度最高為5 m / s,每24小時運行僅需要約0.23 cm3的潤滑脂。如您所見,潤滑劑的這個值可確保小齒輪-齒條系統正確運行。
Apex Dynamics向客戶提供齒條和小齒輪,并以自動潤滑系統的形式提供完整的解決方案。該系統包括一個潤滑泵,分配器,軟管,連接器和一個聚氨酯制成的齒輪,通過該齒輪可以薄薄地分布潤滑劑。
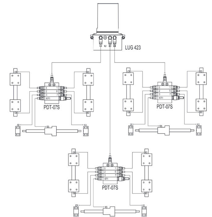
潤滑系統架構的示例如下所示。

- 推薦新聞
- APEX減速機減少維護并延長使用壽命
- 臺灣精銳更勝隱型冠軍-APEX減速機
- 激光切割機上APEX減速機降低坐標臺成本
- 行星減速機安裝注意事項-APEX減速機
- APEX減速機可以集成到任何伺服電機中應用
- APEX減速機高扭矩,適用于精密應用
- 臺灣精銳apex減速機什么牌子,質量怎么樣!
- 行星減速機齒輪的特性和反沖
- APEX減速機擴大了法蘭使用范圍
- 【最新】臺灣APEX減速機應用領域你了解幾個!
- 行星減速機內部結構圖與工作原理(圖解)
- 精密APEX減速機和普通減速機區別(多圖)
- APEX行星減速機安裝指南
- APEX高精密齒輪和齒條:細節有所不同
- 高效低能耗AGV行星減速機
- 行星減速機直齒輪和斜齒輪之間的區別
- 耐腐蝕不銹鋼行星減速機臺灣APEX
- 機器人第7軸多點全自動潤滑系統APEX LUG400
- 什么是行星減速機?有哪些優勢
- Apex Dynamics高精度42毫米斜齒行星減速機




浙公網備案33010802010419
在線
